<專利申請系列-什麼東西能申請專利>
關於<GIPR Channel>的半導體系列文章已經轉進IC設計領域,未來會持續展開,如果你有想要了解的議題,請留言告訴我,我會優先為你製作特刊。
隨著人工智慧應用的爆炸性成長,記憶體需求不僅在容量和頻寬上大幅提升,更帶動了控制IC設計的創新與整合,成為推動AI運算效能與系統穩定的關鍵推手。台灣半導體產業鏈完整且具彈性,涵蓋晶圓製造、記憶體模組到控制IC設計,已成為全球AI記憶體及控制IC創新的重要基地。尤其控制IC與AI晶片的密切關聯更是推動技術演進的關鍵。本期”什麼東西能申請專利”我們就來看看關於記憶體及控制IC。
《孫子.謀攻》知彼知己者,百戰不殆。擬定智財競爭策略,贏得市場競爭優勢。
目次
- 記憶體及控制IC能申請專利嗎?
- 發明專利案例
- 新型專利案例
- 設計專利案例
- 下期預告-微控制器IC
一、記憶體及控制IC能申請專利嗎?
<<強哥提醒!若您不想看細節,只需知道記憶體及控制IC是現代電子設備儲存與運作的核心,記憶體IC負責儲存數據資料,控制IC專門管理資料的寫入、讀取、錯誤修復及電源。此段內容您可只看圖表唷!>>
(一)記憶體及控制IC市場趨勢與技術發展
近年來,AI技術的蓬勃發展帶動了記憶體技術的快速演進與市場變革。以下以要點式深入剖析AI驅動下的記憶體技術趨勢。
- AI推升記憶體頻寬與容量的爆炸性需求:AI訓練與推論工作負載對記憶體的頻寬與容量需求遠超傳統應用,尤其是高頻寬記憶體(HBM)需求年增逾130%,2026年仍預計維持70%以上成長。以NVIDIA即將推出搭載HBM4的Vera Rubin GPU為例,記憶體總頻寬高達2TB/s,是傳統DDR5的數倍,顯示HBM成為AI運算不可或缺的關鍵元件。HBM採用TSV堆疊技術,將多層DRAM垂直整合,資料傳輸路徑大幅縮短,符合AI對極低延遲與高頻寬的嚴苛要求。
- DRAM產能結構性轉移與供應鏈新格局:由於HBM的製造耗用的晶圓面積是傳統DDR5的約3倍,三星、SK海力士、美光等三大DRAM廠商將產能重心轉向HBM,導致DDR4與DDR5供應結構性萎縮,價格短時間內翻倍上漲。這種產能轉移造成傳統DRAM市場供給不足,連帶使消費級產品如智慧手機、PC的記憶體價格大幅上揚,影響整體產品成本結構。。
- 記憶體架構與技術趨勢比較:
| 特性 | HBM (高頻寬記憶體) | DDR5 | DDR4 |
| 設計架構 | 多層DRAM透過TSV垂直堆疊,與GPU/加速器封裝整合 | 平面單片DRAM,標準DIMM插槽,有PMIC與雙子通道 | 平面單片DRAM,標準DIMM插槽 |
| 匯流排寬度 | 極寬,HBM4達2048-bit | 較窄,雙32-bit子通道合計64-bit | 64-bit |
| 頻寬 | 最高達每堆疊1.2TB/s以上 | 單模組可達51.2GB/s,約為DDR4兩倍 | 低於DDR5 |
| 功耗 | 高功耗,主要用於伺服器及AI加速器 | 工作電壓由1.2V降至1.1V,提升能效 | 功耗較高 |
| 適用場景 | AI訓練與推論大型模型、高效能運算 | AI強化筆電、高效能PC、伺服器 | 傳統消費電子、入門級產品 |
- 客製化與異質整合記憶體成為新趨勢:台灣廠商如鈺創推出MemorAiLink平台,提供從DDR3到客製化ASIC AI記憶體的多樣化產品,以因應AI邊緣運算(SLMs與VLMs)低功耗、高頻寬的需求。
- 記憶體市場價格彈性與未來展望:雖然AI伺服器對HBM與伺服器級DRAM需求具價格無彈性,但消費級市場對價格極為敏感,高昂的記憶體成本已促使品牌廠透過「降規」策略(如降低RAM容量、採用較舊規格)調節成本。產業分析預測,記憶體市場供需將於2026年底至2027年初回歸平衡。
(二)台灣半導體產業鏈佈局與記憶體及控制IC的戰略機遇
以下從產業鏈佈局、技術創新與市場趨勢三大面向,說明台灣如何迎接AI記憶體的挑戰並把握戰略機遇:
- 產業鏈整合與供應鏈優勢
- 完整產業生態系:這使得技術合作和產品整合更為順暢,有利於快速響應AI時代的多元需求。
- 供應鏈彈性與風險控管:優化庫存管理及多元客戶服務,降低供應斷鏈風險。
- 科學園區創新獎與研發資源:打造客製化AI記憶體解決方案,展現產業研發實力並提升國際競爭力。
- 技術創新與產品多元化
| 技術領域 | 台灣業者優勢 | 具體案例 |
| 高頻寬記憶體HBM | 配合台積電先進封裝技術CoWoS-L進行局部矽互連 | 鈺創MemorAiLink平台支援多層堆疊,提升頻寬與容量 |
| 客製化DRAM | 多樣化產品組合涵蓋DDR3至DDR4及低功耗LPDDR系列 | 華邦電推出CUBE記憶體,擁有高頻寬低功耗特性,適用多種AI邊緣運算場景 |
| 控制IC設計 | 強化AI晶片與控制IC整合,推動AI系統整體性能優化 | 瑞昱的SSD控制晶片搭配AI應用,提升儲存效能與可靠性 |
- 面對AI記憶體需求的戰略調整與市場機會
- 因應AI產生的挑戰:AI運算對記憶體頻寬與容量的指數級增長,迫使台灣業者投入更多資源於高頻寬記憶體與低功耗技術的研發,突破傳統DRAM的瓶頸。
- 產能轉型與市場定位:隨著全球三大記憶體原廠將產能重心移向高利潤的HBM產品,台灣廠商可在中低階DRAM及記憶體模組市場搶占先機,滿足AI邊緣計算與消費性電子的多元需求。
- 競合關係中尋找成長機會:中國大陸記憶體廠商在中低階市場積極擴展,台灣業者必須加強技術研發與產品差異化,以維持在國際市場的領先地位。
- 邊緣計算帶來的記憶體與控制IC新需求:AI邊緣計算強調低延遲與低功耗,積極開發符合邊緣AI需求的ASIC AI記憶體,提供小型化、高頻寬且可彈性擴充的產品。先進封裝技術(如CoWoS-L)與客製化控制IC的結合,能有效提升AI晶片整體效能,推動智能物聯網、智慧製造等新興應用。

(三)控制IC與AI晶片發展趨勢:新應用前沿
控制IC設計不僅是AI晶片的「靈魂中樞」,更是推動AI、記憶體及控制IC產業鏈升級與創新的關鍵力量。
- AI晶片與控制IC設計的緊密關聯:AI晶片通常需要大量且高速的記憶體存取能力,控制IC設計扮演溝通橋樑的角色,負責協調AI運算核心與記憶體之間的數據傳輸與指令控制。
- 先進封裝技術推動控制IC與AI晶片整合:CoWoS-L(局部矽互連)封裝技術,因應AI晶片面積擴大與高功耗需求,使控制IC與AI核心晶片能更緊密結合,減少訊號延遲與功耗,提升系統整體效能。相比傳統CoWoS-S(全矽中介層),CoWoS-L在製程上更靈活且成本效益更佳,有助晶圓代工廠與IC設計廠商在AI晶片市場保持競爭優勢。
- 控制IC設計帶來記憶體性能與功耗優化:隨著生成式AI與大型語言模型(如LLama2 7B)對記憶體容量與頻寬要求日增,控制IC設計在管理記憶體刷新週期、功耗分配及熱管理上發揮關鍵作用。
- 控制IC助力SSD控制晶片強化AI應用存儲需求:SSD控制晶片是儲存系統的核心,直接影響資料讀寫速度與穩定性。
(四)接著,判斷「記憶體及控制IC」能否申請專利?具不具備技術或設計?若要提升「技術性或設計性」,可以從產品、技術、使用場景與產業趨勢切入,從單點功能元件變成跨場域的生活系統核心。強哥的創新建議是:
- AI 運算架構(Compute Evolution)
- AI 專用加速 IC:算力密度與能效
- 記憶體導向運算:資料搬移成本
- 異質運算架構:系統效能不再靠單一晶片
- 記憶體技術
- 高頻寬記憶體:頻寬 > 容量
- 新型記憶體:加速器、邊緣裝置、低功耗運
- 3D 堆疊記憶體:減少延遲、提升資料吞吐量
- 控制 IC(Controller IC)
- 記憶體控制器:資料調度與錯誤修正
- 電源管理 IC:多相電源控制、動態電壓調整、高效率轉換
- 儲存控制 IC:架構優化、AI 資料存取最佳化
- AI × 記憶體 × 控制 IC 的整合
- Chiplet 與模組化架構:提升良率、降低成本
- 系統級封裝:記憶體與運算晶片緊密整合
- 資料流導向架構:資料流為核心、減少不必要的資料搬移
- 功耗與效率的關鍵突破
- 能效優化:TOPS/W、AI + PMIC 協同
- 散熱與熱管理:液冷、封裝級散熱、熱感測 IC 整合
- 應用市場驅動
- AI 資料中心:GPU + HBM + 高速互連
- 車用 AI:自動駕駛 SoC、即時運算、高可靠性
- 邊緣 AI(Edge AI):低功耗 AI、LPDDR、即時處理
- 工業與智慧製造:AI 控制 IC、即時決策系統
- 產業與商業模式
- 垂直整合:同時掌握AI 晶片、記憶體、系統平台
- 生態系競爭:平台戰爭
- 客製化 ASIC:自研 AI 晶片、降低對通用 GPU 依賴
<實際上還有許多例子,如果有興趣歡迎私下與強哥延伸交流>
最後,有沒有存在法定不予專利的事由?例如:
- 沒有涉及生物學方法、人類或動物之診斷、治療或外科手術方法;
- 不可以有妨害公共秩序或善良風俗的內容;
- 不能只是純功能、藝術或電路布局;
- 不能是單純的自然發現、科學原理、中文輸入/語言/數學/遊戲方法或規則本身、人為方法(如以手指夾球)、商業方法、傳統技藝等。
- 特別需要留意的是:單純的設計概念、單純程式碼本身,應屬於著作權。

二、專利案例
(一)發明專利,其重點在於必須具有「技術性」;發明專利保護利用自然法則之技術思想的創作,包括構造、方法、功能、技術、製造、使用方便性等方面之技術改良或突破。以下舉出發明專利案例讓大家瞧瞧:
- 一種資料比對方法,記憶體裝置與其記憶體控制器(專利號I918499),申請日期2025/05/06,本發明主要目的在解決大量數據在記憶體與處理器間搬移所造成的效能瓶頸。該技術核心在於透過預篩選過濾器先行過濾不相干的資料,隨後利用記憶體內搜尋(IMS)技術進行大規模的群測試合併比對,藉此在儲存裝置內部直接辨識出匹配的序列。這種設計不僅大幅提升了資料比對效率與能源利用率,更能有效加速如垃圾郵件過濾或遺傳疾病檢測等需要處理龐大資訊的計算任務。

(二)新型專利,其保護的是有形物品,而非技術概念或製造方法。因此,如果專利有涉及到物體之構造組合(如硬體的系統框架、架構、裝置、模組等),仍有可能得到保護,但強哥必須強調,新型專利不能單純申請「方法」,可考慮申請「裝置、系統」及其架構。以下舉出個新型專利案例跟大家分享:
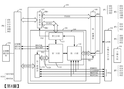
- 一種記憶體儲存裝置的讀寫控制系統(專利號M606415),申請日期2020/08/19,本新型主要目的在解決不同世代儲存規格間的相容性問題。該系統透過控制裝置、橋接裝置與多組選擇器的精密排列,讓主機系統能根據不同的通訊協定靈活調整電性連接路徑。列舉了六種傳輸路徑,使裝置能支援如 SD、SD Express 以及 NVMe 等多樣化標準,並相容於不同版本的 PCIe 協定。藉由這種硬體架構的優化,不僅提升了資料存取的傳輸效率與裝置使用彈性,同時也能有效降低生產成本。整體而言,此創新設計確保了現代電子產品在面對快速更迭的記憶體規格時,仍能維持穩定的資料存取能力。

(三)設計專利,其必須「應用於物品」、「透過視覺訴求」,表示設計必須透過視覺方式呈現,因此,若技術涉及到物品的外觀、電腦圖像之設計,則可以申請設計專利。
三、結語:下期預告-微控制器IC
總結來說,在AI運算爆發下,記憶體與控制IC已成為決定算力效率與系統效能的核心競爭關鍵。從市場競爭角度,企業需掌握高頻寬記憶體(HBM)、低延遲存取與高效控制架構,以支撐AI資料中心與邊緣運算需求;從創新管理觀點,關鍵在於整合記憶體、控制IC與先進封裝,推動資料流導向與異質運算架構,提升整體能效。競爭策略上,台灣可憑藉完整產業鏈與封裝優勢切入高階AI市場,同時維持多元產品布局以分散風險。智慧財產權則是關鍵武器,透過專利布局強化技術門檻與授權價值。最終,唯有結合技術整合能力、生態系合作與IP策略,企業才能建立長期且難以複製的競爭優勢。

當然,研發創新、市場行銷、經營管理的實務工作者應把時間、精神智力都灌注在本職上,因此挖掘智財、申請專利、智財策略的工作就交給專家吧!如果有興趣找強哥談談,讓強哥協助您取得所需重要資訊、追蹤技術、專利挖掘、迴避風險,歡迎與強哥聯繫。
在下一期的<GIPR Channel>文章裡,強哥會繼續延伸IC設計產業,希望透過淺顯易懂的介紹,就能吸收這些熱門產業的創新點子。若你也想知道還有什麼東西可以申請專利。敬請期待!

